DC-DC模塊電源15W-20W
電源類型:DC/DC模塊電源
規格型號:ZXD15C-28D15
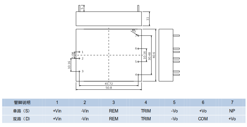
電源尺寸:50.8mmx40.6mmx11mm
輸入電壓:DC12V(9-18V)18V(9-36V)24V(18-36V)48V(36-72V)110V(66-170V)
輸出電壓:DC3.3V/05V/12V/15V/24V/28V/48V
輸出功率:15-20W





